阳光石油网|石油技术交流|石油人论坛

 找回密码
 欢迎注册
查看: 3281|回复: 0

详析水合物的热激发开采

[复制链接]

该用户从未签到

发表于 2016-7-31 15:20:32 | 显示全部楼层 |阅读模式

马上注册,下载丰富资料,享用更多功能,让你轻松玩转阳光石油论坛。

您需要 登录 才可以下载或查看,没有账号?欢迎注册

x
本帖最后由 天然气水合物 于 2016-7-31 15:22 编辑

文章导读
       天然气水合物的热激发开采的目前最主要的开采方法之一。是在天然气水合物稳定带中安装管道,对含天然气水合物的地层进行加热,提高局部储层温度,使天然气水合物的分解然后采集天然气。除了可以将蒸汽、热水、热盐水或其他流体泵入水合物层,还包括电磁(微波)加热法甚至太阳能加热法。主要问题包括热损失大、效率低以及气体采集难。原位热激发技术是近年来的研究热点之一。

1  热激发技术原理

       天然气水合物开采的基本思路都是首先考虑如何使储藏在沉积物中的天然气水合物分解,然后再将天然气采至地面。一般来说,人为地打破天然气水合物稳定存在的温度压力条件,即相平衡条件,造成其分解,是目前开采天然气水合物中天然气资源的主要思路。其中,热力与降压开采被认为是最具潜力的开采技术。

       热激法开采天然气水合物是一种在压力变化不大的情况下,通过像注入热水等从水合物储层之外的外部环境直接供给储层热量,用来提升水合物储层温度,使水合物分解,进而采气的开采方案。这种开采方式比降压法和化学试剂法具有热量直接、作用效果迅速、水合物分解效果明显等优点;另外可以控制加热位置,使储层在技术所能达到的情况下就满足给热需求,而且具有环境影响小、适用于多种不同储藏特性等优点。

天然气水合物相平衡图

       这种开采方式的分解形式如下式所示:M为气体分子,s为固态,g为气态,l为液态。





2  热激发的形式

       目前热开采技术包括注热水/蒸汽/热盐水、井下加热/燃烧、利用海底地热、电磁制热、微波导热、太阳能供热等。根据热量提供的不同方式可进一步分为两类:

① 热量从表层注入水合物储层,例如注蒸汽、热水/热盐水等;

② 热量在井下水合物储层内直接产生提供,例如电磁加热、井下燃烧等。
       第一类热激方式因需要将热量通过生产井向较深的水合物层输送,存在较大能量损失。循环注入热盐水的开采效果在第一类热激开采中更理想,能量效率也更高;多井注入生产比单井生产有利。
       第二类热激方式(即原位热激发)因省去了从表层向水合物层输送热量的过程,不存在热量损失,整体热效率较高;且有研究表明,井下电磁加热开采水合物的采收率可达70%。此外还包括微波导热、太阳能加热等方法。

       下表为不同热开采方法的优缺点比较,需要根据数学模拟和实验对比等手段,结合具体地质背景选择合适的开采方案。





3  太阳能供热-热激发开采

       热激发开采的热源问题一直没有很好的解决,还没有真正的经济高效开采方法。而太阳能是可再生能源,而且具有取之不尽、清洁无污染的特点,具有很高的潜力。

       太阳能存在的问题就是能量密度低,随时间的波动较大,尤其是夜间基本没有太阳能可以利用,这些缺点一定程度上限制了太阳能的应用。而水合物开采不需要稳定的能量输入,只需保证一段时间内有足够的能量输入即可。

       下面小编向您简介大连理工大学天然气水合物与二氧化碳资源化利用课题组宋永臣教授* 设计的太阳能加热开采系统的工作过程及原理。

*  现任大连理工大学副校长及能源与动力学院院长

应用太阳能加热开采水合物系统示意图

① 地面阳光采集装置收集太阳能

       太阳光a平行大反光镜3的轴线入射,反射光线b经小反光镜1后近似平行入射到透镜2,通过透镜2的光线直接入射到光纤6中,通过光纤6将能量密度较高的光纤传到太阳能汇集装置7处.为了满足开采过程的能量需求可以安装多个太阳能采集装置(A)。图中阳光自动跟随设备4由光传感器及机械设备等组成,通过调整大反光镜的位置保证太阳光a平行于反光镜的轴线入射。

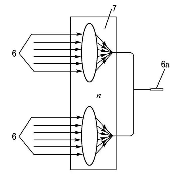
② 汇集太阳能

       通过太阳能汇集装置7进一步提高太阳能的能量密度,首先将数条光纤的太阳光通过透镜聚集传到光纤中,然后将能量密度更高的光纤组成光缆6a,这样既可以保证光缆中传输足够的能量,又可以避免单条光纤能量密度过大。
阳光汇集装置示意图

③ 太阳能传输

       将太阳能通过光缆传输到水合物储层,对水合物储层进行加热,光缆传输的能量损失很小,同时避免常规加热方法造成井筒温度升高,缩短井筒寿命的缺点,另外可以将光能直接输送到要加热水合物层,甚至可以采取移动加热,随着水合物分解位置的移动而移动,最大程度地提高能量使用效率,同时可以避免开采结束地层温度升高过多,造成地层失稳。

④ 水合物分解
        地下天然气水合物分解为天然气和水,随着热量的传入及井筒压力的控制可以实现水合物分解,实现水合物中天然气的经济高效开采。

⑤ 天然气输出
        天然气通过管线输出,分解出的天然气通过井筒10输送到地面,由井口装置9控制井内压力及产气的速率。

        该装置的数值模拟证明利用太阳能加热开采天然气水合物从原理上是可行的,即便在没有太阳能的夜间也可以充分利用白天积蓄的能量,通过降低井内的压力方法持续分解水合物开采天然气。

        通过太阳能加热天然气水合物储层,可使储层温度有较大升高,使水合物快速分解;太阳能加热开采天然气水合物研究,为经济、高效、清洁开采天然气水合物提供了一种新方法。



4  微波激发水合物分解

       微波是频率为300~300000 MHz的电磁波。在工业中常用来做加热的微波频率为2450 MHz和915 MHz.微波已大量应用于各种化学工业中。微波作为一种特殊形式的能量,在油气开发中的应用性研究已引起人们的重视。还有人提出氟气+微波开采技术(形成甲基氟),能提高微波激发效率。

       天然气水合物是一种极性分子,它对微波有一定的吸收作用,在微波的辐射下会产生热效应而分解。天然气水合物气藏地层条件复杂,不同的化学成分对微波的吸收能力相差很大,因此,在微波作用下不同物质组分温度升高相差极大,产生很大的热应力,可使地层岩石产生很多微裂缝。天然气水合物气藏中这些次生微裂缝的产生使地层的渗透率提高,将可以实现天然气水合物气藏的高效开发。

       微波对天然气水合物分解的激发效应主要分为以下三种类型:

①  加热作用

       微波对物质的介电热效应是通过离子迁移和极性分子的旋转使分子运动来实现的。而天然气水合物是一种极性分子,对微波有一定的吸收作用。天然气水合物接受能量后,被作用的分子从相对静态瞬间转变为动态,通过分子偶极以数十亿次的高速旋转产生热效应。

       在波场变化时,偶极子不能完全恢复到它们的初始位置,表征为天然气水合物介电常数的减少和损耗因子的增大。这说明能量以热的形式耗散在天然气水合物气藏中。

②  造缝作用
       微波开采天然气水合物气藏技术是利用大功率微波源对地层辐射。天然气水合物气藏地层条件复杂,非均质性强。储层中还含有地层水,而不同的化学成分对微波的吸收能力相差特别大,如水对微波的吸收能力为石英砂的数十倍。因此,在微波作用下不同物质组分温度升高相差极大,导致热膨胀系数大小相差很大,造成热膨胀、冷收缩不均匀,产生很大的热应力,致使地层岩石产生很多微裂缝。

       天然气水合物气藏中次生微裂缝的产生使地层的渗透率提高,从而实现天然气水合物气藏的高渗开发。

③  非热效应

       天然气水合物是一种极性物质,当微波频率接近天然气水合物分子的固有频率时,极易引起强烈的共振,导致天然气水合物中天然气分子与水分子的结合键发生断裂,进一步促进了天然气水合物的分解,从而提高采收率。据实验验证微波加热后其渗透率可提高170%。微波处理后储层渗透率显著提高,微波处理效果明显。



5  经典应用实例-麦肯齐联合开采

       麦肯齐三角洲地区位于加拿大西北部,地处北极寒冷环境,具有天然气水合物生成与保存的有利条件。该区天然气水合物研究具有悠久的历史。早在1971~1972 年间,在该区钻探常规勘探井MallikL238 井时,偶然于永冻层下800~1 100 m 井段发现了天然气水合物存在的证据 ;1998 年专为天然气水合物勘探钻探了Mallik 2L238 井,该井于897~952 m 井段发现了天然气水合物,并采出了天然气水合物岩心。

       2002 年,在麦肯齐三角洲地区实施了一项举世关注的天然气水合物试采研究。该项目由加拿大地质调查局、日本石油公团、德国地球科学研究所、美国地质调查局、美国能源部、印度燃气供给公司、印度石油与天然气公司等5 个国家9 个机构共同参与投资,是该区有史以来的首次天然气水合物开采试验,也是世界上首次这样大规模对天然气水合物进行的国际性合作试采研究。

Mallik 5L-38井天然气水合物加热试采结果

       多国联合对麦肯齐地区5L-38井开展了小尺度下天然气水合物注热试采,对907~920 m区间共13 m厚的水合物层注入80℃的热流体进行了持续5天的加热法试生产,共生产出468 m3天然气;并通过对注热试采时的压力、温度、水和气体流量等参数的测量,证实了通过热模拟方法开采天然气水合物的可行性。并提出了完善天然气水合物开采技术、减少开采成本、增加实验室数学模拟的进一步研究和优化要求。

您需要登录后才可以回帖 登录 | 欢迎注册

本版积分规则

QQ|Archiver|手机版|小黑屋|阳光石油网 ( 鲁ICP备2021003870号-1 )

GMT+8, 2026-1-8 04:32 , Processed in 0.073138 second(s), 24 queries .

Powered by Discuz! X3.4 Licensed

Copyright © 2001-2021, Tencent Cloud.

快速回复 返回顶部 返回列表